850 nm Fabry Perot FP fiibersidestatud laserdiood
  • 850 nm Fabry Perot FP fiibersidestatud laserdiood 850 nm Fabry Perot FP fiibersidestatud laserdiood
  • 850 nm Fabry Perot FP fiibersidestatud laserdiood 850 nm Fabry Perot FP fiibersidestatud laserdiood
  • 850 nm Fabry Perot FP fiibersidestatud laserdiood 850 nm Fabry Perot FP fiibersidestatud laserdiood
  • 850 nm Fabry Perot FP fiibersidestatud laserdiood 850 nm Fabry Perot FP fiibersidestatud laserdiood
  • 850 nm Fabry Perot FP fiibersidestatud laserdiood 850 nm Fabry Perot FP fiibersidestatud laserdiood

850 nm Fabry Perot FP fiibersidestatud laserdiood

850 nm Fabry-Perot (FP) mitme pikisuunalise režiimiga liblikaserdiood, millel on standardne liblikpakett, millel on sisseehitatud TEC temperatuuri kontroll ja PD jälgimine, mis tagab stabiilse ja usaldusväärse optilise väljundi.

Saada päring

Tootekirjeldus

850 nm Fabry-Perot (FP) mitme pikisuunalise režiimiga liblikaserdiood, millel on standardne liblikpakett, millel on sisseehitatud TEC temperatuuri kontroll ja PD jälgimine, mis tagab stabiilse ja usaldusväärse optilise väljundi.


Omadused

14 pin Butterfly pakett;

Sisseehitatud termistor ja TEC;

Kiu tüüp võib olla SM630-HP kiud;

Töötemperatuur:-20 ~ +70 ℃.


Rakendused

Optilised seadmed;

Laserallikas.


Elektrooptilised omadused (T = 25 ℃)

Parameeter Sümbol Seisund Min. Tüüp. Max Üksus
Töölainepikkus λc CW, 25℃ 840 850 860 nm
Optiline väljundvõimsus PF - 30 - - mW
Lävivool ITH 25℃ - 10 35 mA
Töövool IOP CW - 255 275 mA
Tööpinge VOP 25℃ - 2.1 2.3 V
Jälgige voolu IMON VRM = 5 V 50 - 1500 μA
MPD Tume vool ID VRM = 5 V - - 50 μA
Termistori takistus RTH 25℃ 9.5 10 10.5
Termistori B-väärtus β 25℃/80℃ - 3950 - K


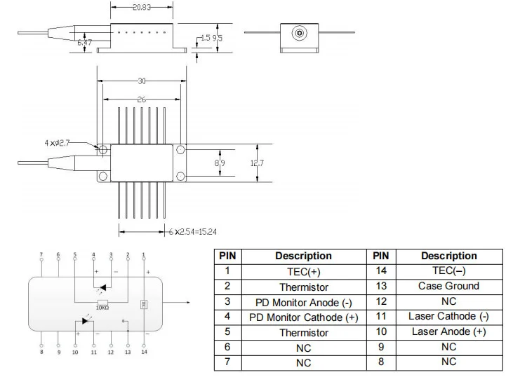
Pakendi joonis ja PIN-VÄLJA definitsioon (ühik: mm)

850nm Fabry Perot Fp Fiber Coupled Laser Diode


Kohaletoimetamine, kohaletoimetamine ja serveerimine

Kõik tooted on enne väljasaatmist testitud;

Kõikidel toodetel on 1–3-aastane garantii. (Pärast kvaliteedigarantii perioodi algust tuleb võtta asjakohane hooldusteenustasu.)

Hindame teie ettevõtet ja pakume kohest 7-päevast tagastuspoliitikat. (7 päeva pärast asjade kättesaamist);

Kui meie poest ostetud kaubad ei ole täiusliku kvaliteediga, st need ei tööta elektrooniliselt vastavalt tootja spetsifikatsioonidele, tagastage need meile asendamiseks või raha tagastamiseks;

Kui kaubad on defektsed, teavitage meid 3 päeva jooksul pärast kohaletoimetamist;

Kõik kaubad tuleb tagastada nende algses seisukorras, et saada raha tagasi või asendada;

Ostja vastutab kõigi tekkinud saatmiskulude eest.

850nm Fabry Perot Fp Fiber Coupled Laser Diode


KKK

K: Kas sobiv laserdraiver on saadaval?

V: Jah. Samuti saame integreerida dioodi ja draiveri laserallika mooduliks.


K: Kas teil on mõni muu lainepikkusega FP laser?

V: Jah, 488nm/520nm/532nm/660nm/850nm/1064nm... Lisateabe saamiseks võtke meiega ühendust.


Kuumad sildid: 850nm Fabry Perot FP fiibersidestatud laserdiood, tootjad, tarnijad, hulgimüük, tehas, kohandatud, hulgi, Hiina, valmistatud Hiinas, odav, madal hind, kvaliteet

Seotud kategooria

Saada päring

Palun esitage oma päring allolevas vormis. Vastame teile 24 tunni jooksul.
X
Kasutame küpsiseid, et pakkuda teile paremat sirvimiskogemust, analüüsida saidi liiklust ja isikupärastada sisu. Seda saiti kasutades nõustute meie küpsiste kasutamisega. Privaatsuspoliitika
Keeldu Nõustu