1550NM 25DB SOA pooljuht optiline võimendi
  • 1550NM 25DB SOA pooljuht optiline võimendi 1550NM 25DB SOA pooljuht optiline võimendi
  • 1550NM 25DB SOA pooljuht optiline võimendi 1550NM 25DB SOA pooljuht optiline võimendi
  • 1550NM 25DB SOA pooljuht optiline võimendi 1550NM 25DB SOA pooljuht optiline võimendi
  • 1550NM 25DB SOA pooljuht optiline võimendi 1550NM 25DB SOA pooljuht optiline võimendi

1550NM 25DB SOA pooljuht optiline võimendi

1550NM 25DB SOA pooljuhtide optilise võimendi tootesari kasutatakse peamiselt optilise signaali amplifikatsiooni jaoks ja see võib väljundi optilist võimsust märkimisväärselt suurendada. Toodetel on kõrge võimendus, vähe võimsust Tarbimine ja polarisatsiooni säilitamine muude omaduste hulgas ning on täielikult töödeldavad kodumaiselt juhitava tehnoloogiaga.

Saada päring

Tootekirjeldus

1550NM 25DB SOA pooljuhtide optilise võimendi tootesari kasutatakse peamiselt optilise signaali amplifikatsiooni jaoks ja see võib väljundi optilist võimsust märkimisväärselt suurendada. Toodetel on muude omaduste hulgas kõrge võimendus, väike energiatarve ja polarisatsiooni hooldus ning need on täielikult töödeldavad kodumaiselt juhitava tehnoloogiaga.


Funktsioon

● 40G ja 100G C-riba blokeeriv katik või modulatsioon;
● 14pin liblikapakett;
● Madal müranäitaja ja madal polarisatsiooni sõltuvus;
● PM1550 kiud FC/APC pistikuga.
● Usaldusväärsus: Telcordia GR-468. Rohs


Rakendus

● Kahjukompensatsioon kiudoptilise ühenduse ja lüliti jaoks
● WDM -kiudoptilised võrgud;
● MOPA (Master Oscilator Power võimendi) laser;


Elektrooptilised omadused (t = 25 ℃)

Parameeter Sümbol Tingimus Min. Tüüp. Max. Ühik
Töölainepikkus LPEAK 25 ℃, pin = 0dbm - 1550 - nm
ASE keskuse lainepikkus lASE 25 ℃, kui = 1000mA - 1490 - nm
-3db võimendi ribalaius ΔL Pin = -10dbm, if = 1000mA - 100 - nm
Küllastusoptiline võimsus Pmax Kui = 1000mA,
Pin = 5dbm@1550nm
- 23 - dbm
Väike signaali võimendus SSG Kui = 1000mA,
Pin = -25dbm@1550nm
30 35 - db
Töövool Kui - - 1000 1200 maal
Edasisuunaline pinge Vf - - 2.4 2.6 V
Müranäitaja Nf 25 ℃, kui = 1000mA, @1550nm - 6 8 db
Väljasuremise ratsioon Olema If = 1000mA/if = 0mA,
Tihvt = 0dbm
- 35 - db
TEC vool LTEC - - - 1.8 A
TEC pinge Vtec - - 400 3.4 V
Termistorjuuring Rtherm T = 25 ℃ 9.5 10 10.5
Termistorvool lterm - -2 - 5 maal
Koguvõimsus P - - - 4 w
Tööjuhtumi temperatuur Tipus I = kui -10 - 70
Säilitustemperatuur Ts - -40 - 85


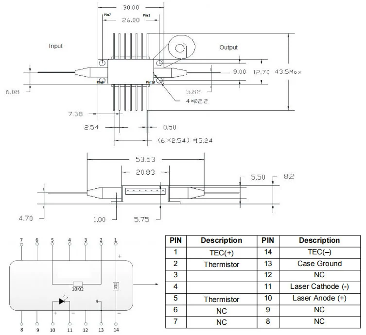
Paketi joonistamine ja näpunäidete määratlus (ühik: MM):

1550nm 25db Soa Semiconductor Optical Amplifier


Tüüpiline iseloomulik kõver

1550nm 25db Soa Semiconductor Optical Amplifier

1550nm 25db Soa Semiconductor Optical Amplifier


Tarnima, saatmine ja serveerimine

Kõiki tooteid on enne saatmist testitud;

Kõigil toodetel on 1 -aastane garantii. (Pärast kvaliteeditagatise perioodi hakkas nõuetekohane hooldusteenuse tasu.)

Hindame teie ettevõtet ja pakume kohe 7 -päevast tagastamise poliitikat. (7 päeva pärast esemete saamist);

Kui meie poest ostetud esemed ei ole täiusliku kvaliteediga, see tähendab, et nad ei tööta elektrooniliselt tootjate spetsifikatsioonidega, tagastage need lihtsalt meie juurde asendamiseks või tagasimaksmiseks;

Kui esemed on puudulikud, teavitage meid 3 päeva jooksul pärast kohaletoimetamist;

Tagastamise või asendamise saamiseks tuleb kõik esemed esialgses seisukorras tagastada;

Ostja vastutab kõigi tekkinud saatmiskulude eest.


1550nm 25db Soa Semiconductor Optical Amplifier


KKK

K: Mis on lainepikkus, mida vajate?

V: Meil on 1550NM 1310NM 1270NM 1060NM SOA laserdiood.


K: Milline on väljundvõimsuse nõue?

V: Optroonika saab kohandada vastavalt teie nõuetele.


Kuumad sildid: 1550nm 25db SOA pooljuhtide optiline võimendi, tootjad, tarnijad, hulgimüüjad, tehas, kohandatud, hulgipuulk, Hiina, valmistatud Hiinas, odav, madal hind, kvaliteet

Seotud kategooria

Saada päring

Palun esitage oma päring allolevas vormis. Vastame teile 24 tunni jooksul.
X
Kasutame küpsiseid, et pakkuda teile paremat sirvimiskogemust, analüüsida saidi liiklust ja isikupärastada sisu. Seda saiti kasutades nõustute meie küpsiste kasutamisega. Privaatsuspoliitika
Keeldu Nõustu